Lap Joint Flange mendefinisikan kembali fleksibilitas dalam sistem perpipaan, menawarkan solusi dinamis untuk mengelola tekanan ekspansi dan kontraksi termal sekaligus memungkinkan pembongkaran yang mulus dalam aplikasi tekanan rendah. Menggabungkan cincin flensa yang kuat dengan komponen flensa berputar, desain inovatif ini memungkinkan pergerakan aksial pipa yang terkendali, secara efektif menyerap pergeseran akibat suhu tanpa mengurangi integritas struktural. Tersedia dalam dua konfigurasi—Tipe Cincin Las Butt (PJ/SE) untuk sambungan las presisi tinggi dan Tipe Cincin Las Datar (PJ/RJ) untuk pemasangan yang disederhanakan—memenuhi beragam kebutuhan operasional dengan tetap menjaga kinerja anti bocor. Direkayasa dari baja karbon premium atau baja tahan karat, flensa tahan terhadap korosi dan keausan mekanis, memastikan keandalan dalam industri seperti pemrosesan kimia, pengolahan air, dan produksi makanan, di mana pemeliharaan atau peningkatan peralatan sering dilakukan secara rutin.
| Diameternya | DN50(2")-DN2000(80") |
| Tekanan | 0,6-2,5MPa |
| Sertifikat | PED, AD2000, EAC, ABS, BV, DNV, NORSOK M650, ISO9001, ISO14001, ISO45001, dll. |
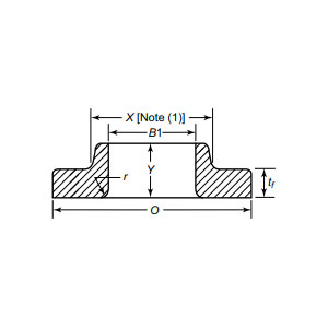
| Pengenalan fungsi | Dikombinasikan dengan cincin flensa dan flensa, memungkinkan perpindahan aksial pipa dan mengurangi tekanan ekspansi termal. Jenis: cincin las pantat (PJ/SE) dan cincin las datar (PJ/RJ). Cocok untuk pipa bertekanan rendah yang memerlukan pembongkaran sering. |
| Bidang aplikasi | Berlaku untuk sambungan flensa pipa pada jaringan pipa minyak dan gas jarak jauh, anjungan lepas pantai, peralatan kimia, sistem pengolahan air, dan industri makanan dan farmasi, disesuaikan dengan kondisi kerja yang kompleks. |
| Pengepakan | Paket layak laut, Kotak Kayu Lapis atau palet atau sesuai kebutuhan pelanggan |
| Produk Unggulan | 1、 Pesanan minimum dalam jumlah kecil; |
Mekanisme perputarannya menyederhanakan penyelarasan selama perakitan, mengurangi biaya tenaga kerja dan waktu henti dalam sistem seperti mesin hidrolik, jaringan HVAC, atau pengaturan industri modular. Dengan mengisolasi pergerakan flensa dari tegangan pipa, hal ini memperpanjang umur gasket dan baut, sehingga menurunkan biaya penggantian jangka panjang. Mulai dari anjungan lepas pantai yang memerlukan kompensasi termal hingga pabrik farmasi yang memerlukan sambungan steril dan mudah dibersihkan, Lap Joint Flange memastikan kepatuhan terhadap standar ASME dan EN sekaligus beradaptasi dengan tuntutan operasional yang terus berkembang. Didukung oleh pengujian yang ketat dan kompatibilitas serbaguna, hal ini memberdayakan para insinyur untuk merancang infrastruktur yang tangguh dan siap menghadapi masa depan. Tingkatkan sistem perpipaan Anda sekarang dengan Lap Joint Flensa kami—tempat rekayasa presisi berpadu dengan kekuatan adaptif, memungkinkan operasi Anda berkembang dalam lingkungan yang dinamis. Pilih fleksibilitas, pilih daya tahan, dan buka era baru efisiensi.
Dari bahan mentah hingga pengiriman akhir, kami mempertahankan kontrol yang ketat di setiap tahap untuk memastikan ketahanan, kinerja, dan konsistensi.
01
02
03
04
05
06
07
08
09
10
11
12
