Flensa Berulir merevolusi konektivitas saluran pipa dengan menawarkan solusi yang aman dan bebas las untuk menyambung pipa berulir, menjadikannya pilihan utama untuk lingkungan di mana keselamatan dan kemampuan beradaptasi tidak dapat dinegosiasikan. Direkayasa dengan ulir internal yang presisi, flensa ini terintegrasi secara mulus dengan pipa atau sistem baja galvanis yang melarang pengelasan—seperti di lingkungan industri yang mudah terbakar, meledak, atau sangat sensitif. Desainnya yang inovatif menghilangkan bahaya kebakaran yang terkait dengan pengelasan, memastikan kepatuhan terhadap protokol keselamatan yang ketat sekaligus memberikan segel yang kuat dan anti bocor yang tahan terhadap tuntutan tekanan tinggi. Sambungan berulir memungkinkan pemasangan dan pembongkaran dengan cepat, memberdayakan tim pemeliharaan untuk memecahkan masalah atau meningkatkan sistem tanpa peralatan khusus, mengurangi waktu henti dalam operasi penting seperti pemrosesan bahan kimia, distribusi minyak dan gas, atau produksi farmasi.
| Ukuran | DN15(1/2")-DN600(24") |
| Peringkat Tekanan | 0,6- 4,0MPa |
| Kisaran Suhu | -45℃ hingga 260℃ |
| Sertifikat | PED,AD2000,EAC, ABS,BV, DNV,NORSOK M650, ISO9001,ISO14001,ISO45001, dll. |
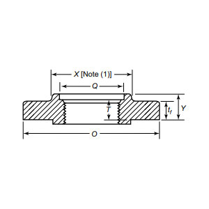
| Pengenalan fungsi | Flensa berulir terhubung ke pipa berulir melalui ulir pipa internal, menghilangkan pengelasan. Ideal untuk pipa baja galvanis atau lingkungan pengelasan terbatas (mudah terbakar/meledak). Memiliki fitur pemasangan yang mudah dan perawatan yang fleksibel, sangat cocok untuk baja paduan dan material lain dengan kemampuan las yang buruk. |
| Bidang aplikasi | Berlaku untuk sambungan flensa pipa pada jaringan pipa minyak dan gas jarak jauh, anjungan lepas pantai, peralatan kimia, sistem pengolahan air, dan industri makanan dan farmasi, disesuaikan dengan kondisi kerja yang kompleks. |
| Pengepakan | Paket layak laut, Kotak Kayu Lapis atau palet atau sesuai kebutuhan pelanggan |
| Produk Unggulan | 1、Pemesanan minimum dalam jumlah kecil; |
Ideal untuk material yang rentan terhadap tantangan pengelasan-seperti baja paduan-Flensa Ulir menjaga integritas material, menghindari kerapuhan atau distorsi yang disebabkan oleh panas. Konstruksinya yang tahan korosi, tersedia dalam baja karbon atau baja tahan karat, memastikan umur panjang bahkan di lingkungan yang keras, mulai dari platform pengeboran lepas pantai hingga sistem sanitasi food grade. Didukung oleh kepatuhan yang ketat terhadap standar global, flensa ini menjamin keandalan dalam aplikasi berisiko tinggi, termasuk sistem hidrolik, saluran pipa kriogenik, dan transfer cairan yang mudah terbakar. Untuk industri yang mengutamakan keselamatan, efisiensi, dan pemeliharaan hemat biaya, Threaded Flange adalah solusi transformatif. Tingkatkan infrastruktur Anda hari ini dengan Thread Flensa premium kami-tempat inovasi bertemu dengan keselamatan tanpa kompromi, memungkinkan sistem Anda beroperasi dengan sempurna dalam kondisi yang paling menuntut. Pilih kepercayaan diri, pilih daya tahan, dan definisikan kembali potensi saluran pipa Anda.
Dari bahan mentah hingga pengiriman akhir, kami mempertahankan kontrol yang ketat di setiap tahap untuk memastikan ketahanan, kinerja, dan konsistensi.
01
02
03
04
05
06
07
08
09
10
11
12
