Weld Neck Flange berdiri sebagai solusi terbaik untuk lingkungan bertekanan tinggi dan bersuhu tinggi, dirancang untuk memberikan keandalan yang tak tertandingi melalui sambungan las butt yang kuat dan permukaan penyegelan yang diproduksi secara presisi. Didesain untuk aplikasi kritis, flensa ini terintegrasi secara mulus dengan saluran pipa melalui las butt penetrasi penuh, menciptakan struktur monolitik yang tahan terhadap tekanan ekstrem, fluktuasi termal, dan tekanan mekanis—sehingga sangat diperlukan di kilang minyak, pabrik petrokimia, dan sistem tenaga nuklir. Desain lehernya yang meruncing tidak hanya memperkuat integritas struktural tetapi juga meminimalkan konsentrasi tegangan, memastikan kinerja jangka panjang dalam kondisi yang berat. Proses produksi—yang mencakup penempaan tingkat lanjut, perlakuan panas yang menghilangkan stres, penyelesaian akhir yang presisi, pengujian non-destruktif (NDT) yang ketat, dan perawatan permukaan anti-korosi—menjamin komponen yang melampaui standar industri dalam hal keamanan dan daya tahan.
| Diameternya | DN15(1/2")-DN3500(138") |
| Tekanan | 0,25-25MPa |
| Sertifikat | PED, AD2000, EAC, ABS, BV, DNV, NORSOK M650, ISO9001, ISO14001, ISO45001, dll. |
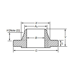
| Pengenalan fungsi | Sambungan las butt memberikan penyegelan berkekuatan tinggi untuk aplikasi tekanan tinggi (HP) dan suhu tinggi (HT), memastikan kinerja anti bocor dalam kondisi ekstrem |
| Bidang aplikasi | Berlaku untuk sambungan flensa pipa pada jaringan pipa minyak dan gas jarak jauh, anjungan lepas pantai, peralatan kimia, sistem pengolahan air, dan industri makanan dan farmasi, disesuaikan dengan kondisi kerja yang kompleks. |
| Pengepakan | Paket layak laut, Kotak Kayu Lapis atau palet atau sesuai kebutuhan pelanggan |
| Produk Unggulan | 1、Pemesanan minimum dalam jumlah kecil; |
Dari jaringan pipa bawah laut yang tahan terhadap air laut yang korosif hingga turbin uap yang beroperasi pada suhu yang sangat panas, Weld Neck Flange memastikan penyegelan anti bocor dan kelangsungan operasional. Industri yang membutuhkan kualitas tanpa kompromi, seperti sistem cairan dirgantara atau penyimpanan kriogenik, mengandalkan kemampuannya untuk menjaga integritas di bawah pembebanan siklik dan paparan media yang keras. Dengan menggabungkan ketahanan material yang unggul dengan rekayasa presisi, flensa ini mengurangi biaya siklus hidup melalui meminimalkan waktu henti dan pemeliharaan. Bagi para insinyur yang bertugas menjaga infrastruktur berisiko tinggi, Weld Neck Flange adalah pilihan yang pasti. Tingkatkan kinerja sistem Anda sekarang dengan Weld Neck Flensa premium kami—tempat manufaktur mutakhir berpadu dengan ketahanan tingkat industri, memberdayakan operasi Anda untuk menaklukkan tekanan, suhu, dan waktu ekstrem. Pilih keunggulan, pilih daya tahan, dan bangun fondasi yang tahan masa depan untuk sistem penting Anda.
Dari bahan mentah hingga pengiriman akhir, kami mempertahankan kontrol yang ketat di setiap tahap untuk memastikan ketahanan, kinerja, dan konsistensi.
01
02
03
04
05
06
07
08
09
10
11
12
